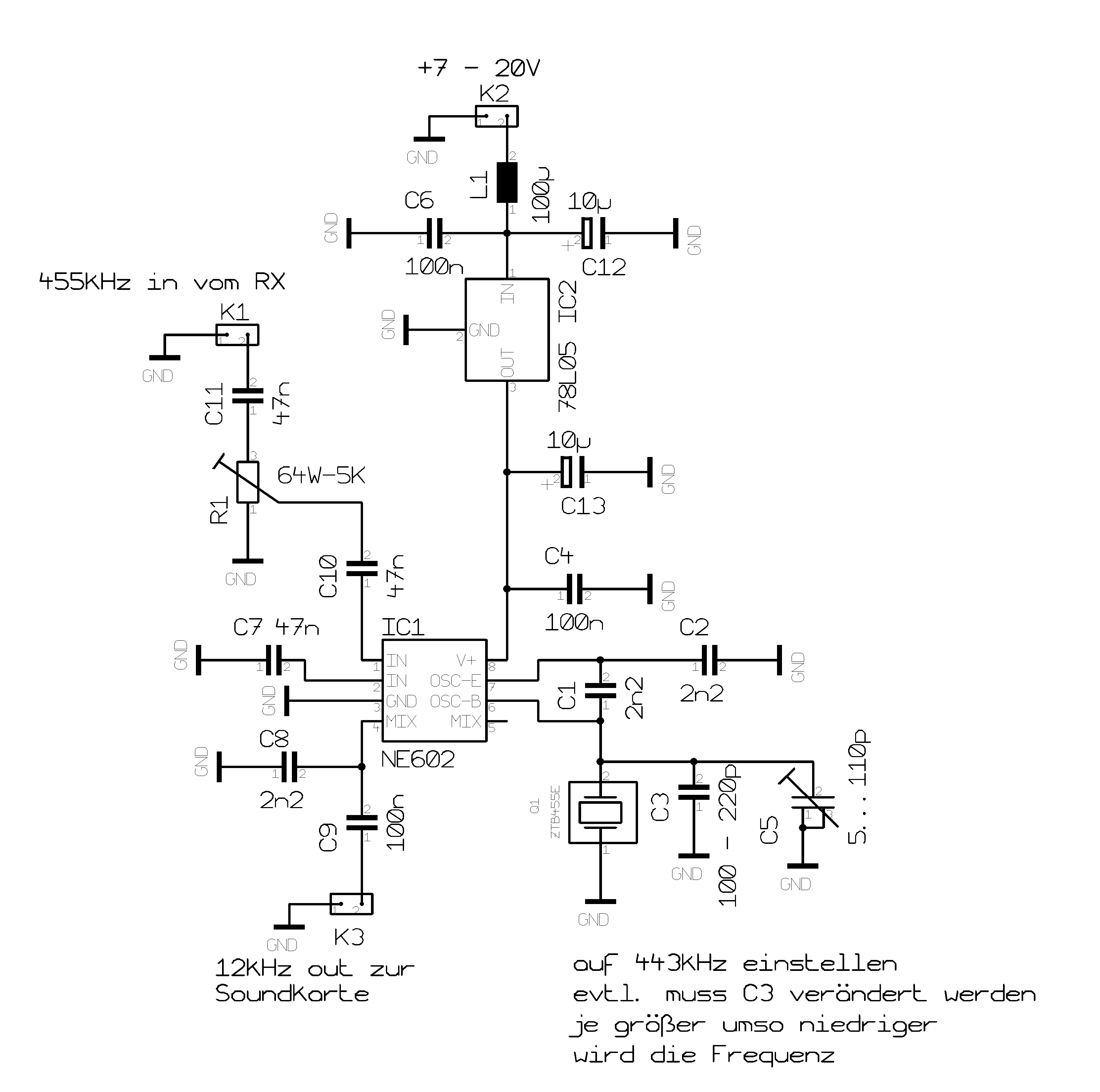
Empfangsmischer zum Umsetzen einer Zwischenfrequenz von 455kHz auf 12kHz zum Empfang von DRM Radio auf MW/KW

Startseite
Schaltung als Target3001 Datei
Schaltplan (png)
Platinenlayout (png)
Dekodiersoftware "dream" ca. 2600kB (zip)
Kurzanleitung als pdf
 

Empfangsmischer zum Umsetzen einer Zwischenfrequenz von 455kHz auf 12kHz zum Empfang von DRM Radio auf MW/KW.

Die Schaltung wird im ZF-Pfad des Empfängers (455 KHz ZF) eingeschleift, der Ausgang der Schaltung mit der Soundkarte des Computers verbunden.

Mit C3/C5 muss die Oszillatorfrequenz des NE602 auf 443kHz gezogen werden. Unter Umständen muss dabei der Wert von C3 angepasst werden. Wird C3 kleiner gemacht, so steigt die Oszillatorfrequenz, bei einer Vergrößerung von C3 sinkt sie. Das Oszillatorsignal kann an Pin 7 des NE602 gemessen werden. Ist kein Frequenzzähler vorhanden, so ist es auch möglich dieses Signal mit einem Empfänger abzuhören und einzustellen.  

Die Schaltung kann auf einem Stück Lochrasterplatine leicht aufgebaut werden, oder man fertigt sich eine Platine. Die Schaltung und das Layout liegen im Targetformat und als png- Bilder vor.

Eine kostenlose Version von Target kann von http://www.ibfriedrich.de heruntergeladen werden.

Die Software zum Dekodieren der DRM-Signale liegt ebenfalls bei. Diese darf aber nur für private Zwecke benutzt werden. Die gezippte Datei „dream“ einfach in einen beliebigen Ordner entzippen und das Programm ausführen. Es ist keinerlei Installation notwendig.

.